标准欧标20槽口配合尺寸
欧标20槽节能内平开下悬窗五金系统
NXC01
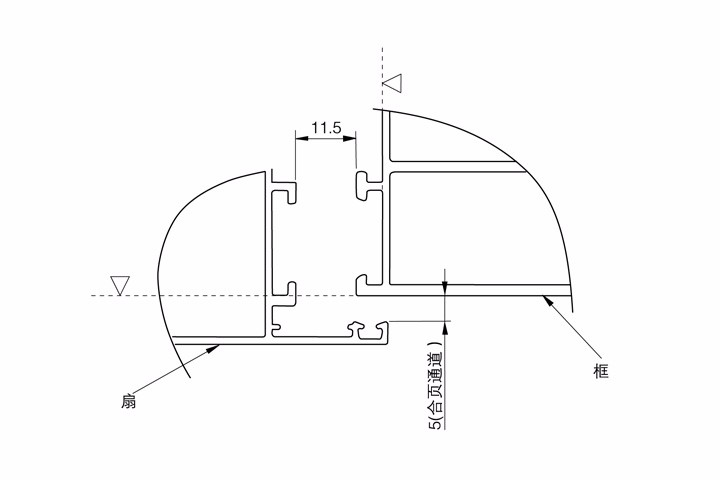
隐形合页内平开下悬铝窗五金系统
YNXC02(L/R)
NXC06
NXC07
欧标20槽节能下悬内平开五金系统
XNC01
ZDM01折叠门推拉门(541型)
ZDM01-541
ZDM02折叠推拉门外开431型
ZDM02-431
INQUIRY